设为主页 收藏本站 服务热线
网站首页 企业简介 产品展示 荣誉证书 销售网络 在线留言 联系我们  
Y2 系列圆形电连接器
LY2系列圆形电连接器
YP 系列圆形电连接器
LYP系列圆形电连接器
Y3及其派生系列圆形电连接器
Y4系列圆形电连接器
Y11系列圆形电连接器
Y17系列圆形电连接器
Y24圆形电连接器系列
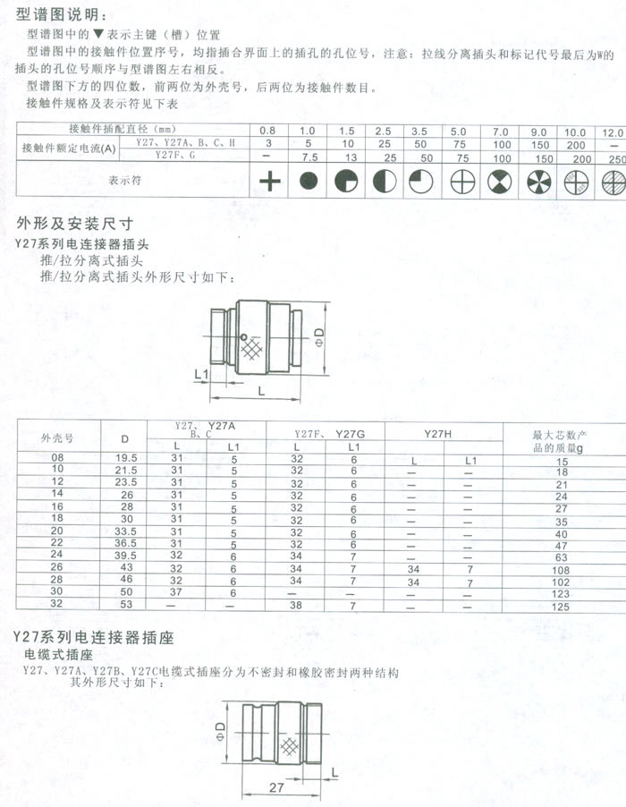
Y27系列圆形电连接器
Y50系列圆形电连接器
YTLS系列高密度推/拉式自锁圆形电连接器
YTLE系列高密度推/拉自锁式自锁圆形电连接器
YTLB系列高密度推/拉式自锁圆形电连接器
YTLK系列高密度推/拉式自锁圆形电连接器  
XC及其派生系列圆形电连接器
XCF系列
YMA YMB系列电连接器
YMC系列电连接器
YMG系列电连接器
LBCXCH系列线簧式焊接船用滤波电连接器  
Y50X圆形滤波电连接器
J7矩形电连接器
J14系列矩形电连接器
J18系列小型矩形电连接器
J30J系列微型矩形电连接器
HD系列微型矩形连接器
特种圆型连接器
    产品展示
Y27系列圆形电连接器
第一页   第二页   第三页   第四页   第五页
首 页 企业简介 产品展示 企业荣誉 销售网络 客户留言 联系我们
  公司地址:江苏省泰兴市张桥工业园区江平南路198号 电话:18036808580 E-mail:1690256858@qq.com 联系人:汤先生
Copyright(C)2008-2009 版权所有:泰州市恒联电器有限公司 公司网址:http.//www.tzhkct.cn